- 质量稳定:实行全过程质量监控,细致入微,全方位检测!
- 价格合理:高效内部成本控制,减少了开支,让利于客户!
- 交货快捷:先进生产流水线,充足的备货,缩短了交货期!
- 销售:022-85190966-1
- 传真:022-24919002
- 技术:022-85190966-5
产品概述:
G41J直通衬胶隔膜阀适用于非腐蚀性或一般腐蚀性介质,阀体内腔表面无衬里或覆有可供选择的各种橡胶,适用于不同工作温度和流体管路。适用温度:≤85℃、≤100℃、 ≤120℃、≤150℃(按照衬里和隔膜材)。
性能参数:
|
型号 |
公称压力Mpa |
实验压力(Mpa) |
工作压力(Mpa) |
适用温度 |
适用介质 |
|||
|
阀体强度 |
密封面 |
|
|
|
||||
|
G41J-6 |
0.6 |
0.9 |
0.66 |
0.6 |
0.4 |
0.25 |
小于等于80摄氏度 |
一般腐蚀性介质 |
|
G41J-10 |
1.0 |
1.5 |
1.1 |
1.0 |
|
|
|
|
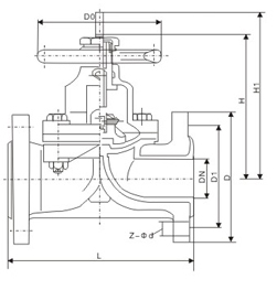
主要外形及连接尺寸:

|
型号 |
公称尺寸DN |
外形及连接尺寸mm |
||||||
|
L |
D1 |
D |
Do |
Z-φd
|
H |
H1 |
||
|
G41J-6 |
25 |
145 |
85 |
115 |
120 |
4-14 |
121 |
135 |
|
32 |
160 |
100 |
135 |
120 |
4-18 |
132 |
150 |
|
|
40 |
180 |
110 |
145 |
140 |
4-18 |
156 |
176 |
|
|
50 |
210 |
125 |
160 |
140 |
4-18 |
169 |
195 |
|
|
65 |
250 |
145 |
180 |
200 |
4-18 |
202 |
236 |
|
|
80 |
300 |
160 |
195 |
200 |
4-18 |
216 |
256 |
|
|
100 |
350 |
180 |
215 |
280 |
4-18 |
270 |
322 |
|
|
125 |
400 |
210 |
245 |
320 |
8-18 |
338 |
406 |
|
|
150 |
460 |
240 |
280 |
320 |
8-18 |
384 |
464 |
|
|
200 |
570 |
295 |
335 |
400 |
8-23 |
518 |
638 |
|
|
250 |
680 |
350 |
390 |
500 |
8-23 |
598 |
734 |
|
|
300 |
790 |
400 |
440 |
560 |
12-23 |
698 |
778 |
|
|
350 |
900 |
460 |
500 |
560 |
12-23 |
723 |
883 |
|
|
400 |
1000 |
515 |
565 |
640 |
16-23 |
868 |
1078 |
|
|
G41J-10 |
25 |
145 |
85 |
115 |
120 |
16-25 |
121 |
135 |
|
32 |
160 |
100 |
135 |
120 |
4-14 |
132 |
150 |
|
|
40 |
180 |
110 |
145 |
140 |
4-18 |
156 |
176 |
|
|
50 |
210 |
125 |
160 |
140 |
4-18 |
169 |
195 |
|
|
65 |
250 |
145 |
180 |
200 |
4-18 |
202 |
236 |
|
|
80 |
300 |
160 |
195 |
200 |
4-18 |
216 |
256 |
|
|
100 |
350 |
180 |
215 |
280 |
8-18 |
270 |
322 |
|
|
125 |
400 |
210 |
245 |
320 |
8-18 |
338 |
406 |
|
|
150 |
460 |
240 |
280 |
320 |
8-23 |
384 |
464 |
|


