- 质量稳定:实行全过程质量监控,细致入微,全方位检测!
- 价格合理:高效内部成本控制,减少了开支,让利于客户!
- 交货快捷:先进生产流水线,充足的备货,缩短了交货期!
- 销售:022-85190966-1
- 传真:022-24919002
- 技术:022-85190966-5
图形符号:
![]()
型号说明:

① 系列代号Series Code:QJH系列高压球芯截止阀 ② 压力等级Pressure Grade:H-32MPa ③ 公称通径Nominal Path:6、10、15、20、25、32、40、50、65、80mm ④ 连接形式Joint Model:B-板式、F-法式、NL-内螺纹连接、WL-外螺纹连接
外形尺寸:

|
型号 |
A |
B |
C |
L1 |
L2 |
L3 |
L4 |
L5 |
L6 |
H |
N |
d1 |
d2 |
|
QJH-10B |
80 |
54 |
42 |
60 |
45 |
11 |
13 |
105 |
33 |
38 |
62 |
Ф8.5 |
Ф9 |
|
QJH-15B |
92 |
58 |
44 |
56 |
52 |
6 |
18 |
147 |
39 |
42 |
77 |
Ф8.5 |
Ф14 |
|
QJH-20B |
108 |
70 |
52 |
70 |
60 |
8.5 |
21.5 |
185 |
45 |
50 |
90 |
Ф11 |
Ф18 |
|
QJH-25B |
125 |
75 |
60 |
80 |
72 |
11 |
20 |
185 |
54.5 |
55 |
99 |
Ф11 |
Ф24 |
|
QJH-32B |
152 |
98 |
71 |
120 |
90 |
19 |
16 |
240 |
69.5 |
75 |
111 |
Ф13 |
Ф30 |
|
QJH-40B |
185 |
120 |
93 |
150 |
110 |
23 |
20 |
240 |
80 |
90 |
129 |
Ф17 |
Ф38 |

|
型号 |
D |
L |
L1 |
L2 |
H |
F |
E |
N |
|
QJH-50F1 |
Ф62 |
170 |
30 |
17 |
104 |
118 |
55 |
240 |
|
QJH-65F1 |
Ф77 |
220 |
45 |
22 |
126 |
132 |
67 |
— |
|
QJH-80F1 |
Ф91 |
240 |
45 |
25 |
139 |
142 |
75 |
— |

内螺纹连接尺寸:
|
型号 |
A |
B |
C |
L |
H×a |
2-D |
|
QJH-06NL |
13.5 |
27 |
105 |
67 |
33×26 |
M16×1.5 |
|
QJH-10NL |
16 |
40 |
105 |
76 |
36×32 |
M18×1.5 |
|
QJH-15NL |
19 |
45 |
147 |
88 |
45×38 |
M27×2 |
|
QJH-20NL |
25 |
46 |
185 |
100 |
55×48 |
M33×2 |
|
QJH-25NL |
28.5 |
59 |
185 |
116 |
64×57 |
M42×2 |
|
QJH-32NL |
37.5 |
74 |
240 |
130 |
84×75 |
M48×2 |
|
QJH-40NL |
42.5 |
88 |
240 |
140 |
95×85 |
M60×2 |

外螺纹连接尺寸:
|
型号 |
A |
B |
C |
L |
H×a |
2-D |
|
QJH-06WL |
13.5 |
27 |
105 |
71 |
33×26 |
M16×1.5 |
|
QJH-10WL |
16 |
40 |
105 |
86 |
36×32 |
M22×1.5 |
|
QJH-1WNL |
19 |
45 |
147 |
96 |
45×38 |
M30×1.5 |
|
QJH-20WL |
25 |
46 |
185 |
112 |
55×48 |
M36×2 |
|
QJH-25WL |
28.5 |
59 |
185 |
122 |
64×57 |
M42×2 |
|
QJH-32WL |
37.5 |
74 |
240 |
145 |
84×75 |
M52×2 |
|
QJH-40WL |
42.5 |
88 |
240 |
163 |
95×85 |
M60×2 |

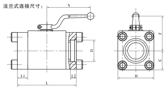
法兰式连接尺寸:
|
型号 |
L |
L1 |
H |
H1 |
D |
d1 |
d2 |
M |
|
QJH-10F |
103 |
105 |
44 |
36 |
Ф68 |
Ф22 |
Ф10 |
M10 |
|
QJH-15F |
113 |
147 |
46 |
40 |
Ф75 |
Ф24 |
Ф15 |
M10 |
|
QJH-20F |
117 |
185 |
48 |
42 |
Ф78 |
Ф30 |
Ф20 |
M10 |
|
QJH-25F |
133 |
185 |
56 |
56 |
Ф100 |
Ф35 |
Ф23 |
M12 |
|
QJH-32F |
145 |
240 |
63 |
62 |
Ф110 |
Ф45 |
Ф32 |
M12 |
|
QJH-40F |
175 |
240 |
74 |
73 |
Ф130 |
Ф50 |
Ф38 |
M16 |
声明:本文中所有文字、数据、图片考虑到生产工况条件不同,难免会产生偏差、不恰当或是有不充分的描述,故均适用于参考,如果您对本文中所提供的QJH高压球芯截止阀产品内容有任何疑问,请您联系我们,我们将竭诚为您服务!


